+ 86-0523-83274900
Femelle John Morris couplage fileté

Femelle John Morris couplage fileté

Le couplage fileté de John Morris appartient à la série de couplage John Morris, avec une extrémité avec un thread interne ou externe et l'autre fin ayant un Groove du couplage.
Ce couplage est utilisé pour Connectez les tuyaux d'incendie et l'équipement de lutte contre les incendies (comme les pompes à incendie, les tuyaux d'incendie et les bornes d'incendie).

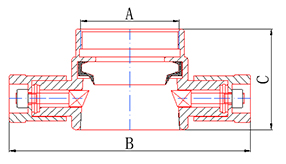
Dimensions Ressources

Article no.

Vacarme / mm

Dia

A / mm

B / mm

C / mm

Kyk

65/50

2,5 "/ 2"

G2 "

182

76

65

2,5 "

G2.5 "

182

76

* Les matériaux et les processus de fabrication peuvent être personnalisés sur demande.
* D'autres exigences (telles que la pression de travail, la pression d'éclatement, etc.) peuvent également être personnalisées au besoin.

Jiangsu Jinding Fire Protection Technology Co., Ltd.
Jiangsu Jinding Fire Protection Technology Co., Ltd., situé dans la zone de développement économique de Jiang Su Xinghua, a été fondée en 1998. C'est une entreprise industrielle intégrant la conception, le développement, la production et les ventes. La société a dépassé la certification ISO9001: Certification du système qualité 2015 et la certification volontaire des produits, et les produits connexes ont obtenu le rapport d'inspection du National Fire Equipment Qualité Supervision and Inspection Center.
Notre entreprise fabrique principalement plusieurs séries de produits, notamment des raccords anti-incendie, des lances à eau, des bouches d'incendie, des raccords pour tuyaux de grand diamètre et des raccords pour l'alimentation en eau des champs pétrolifères. Ces produits sont largement utilisés dans les secteurs de la protection incendie, du pétrole, de la chimie, de l'armée et autres.
La société a une bonne capacité de R&D indépendante et a un ensemble complet de processus de production tels que la fabrication de moisissures, le traitement de la production et les tests de produits. Dans le même temps, l'entreprise attache l'importance aux exigences des clients, saisit en temps opportun la dynamique du marché, développe et produit continuellement de nouveaux produits et gagne la confiance et la louange des nouveaux et anciens clients.
L'entreprise fournit des services professionnels fiables basés sur un engagement de qualité et des partenariats collaboratifs, s'efforçant de construire des relations de coopération durables avec ses clients.
27+

27 ans d'industrie Expérience de fabrication

Certificats
Nouvelles
Ayons une conversation
Dites simplement bonjour et nous entamerons une collaboration fructueuse. Commencez votre propre réussite.
Besoin d'équipement pour votre entreprise?
Laissez notre équipe vous fournir des solutions personnalisées.